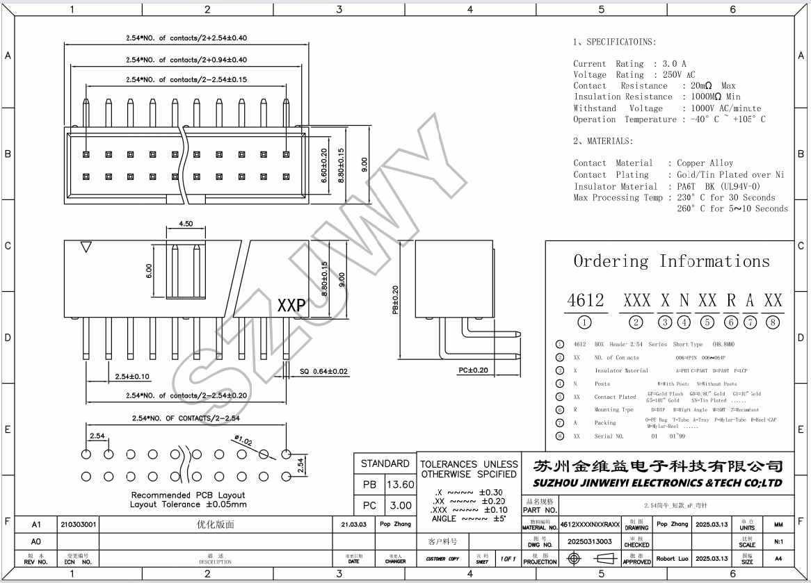
额定电流:3安倍 单PIN
额定电压:250伏,交流
接触电阻:20毫欧 MAX
介质耐压:1000伏,1分钟
绝缘电阻:1000兆欧 MIN
使用温度:-40~105摄氏度
焊接温度:265±5度 5秒
防火等级:UL94 V-0

产品尺寸:内腔对插PIN针标准尺寸6.00mm;
使用场景:与排母配套使用,用于板对板方案;
产品颜色:默认黑色,可做灰、白、蓝等颜色;
产品电镀:电镀镍底后再镀锡或者镀金、镀金厚度依旧需求进行电镀;
产品脚位:2X3~2X40P;
盐雾要求:满足24H~96H中性盐雾测试(或依客户需求优化)
额定电流:3安倍 单PIN
额定电压:250伏,交流
接触电阻:20毫欧 MAX
介质耐压:1000伏,1分钟
绝缘电阻:1000兆欧 MIN
使用温度:-40~105摄氏度
焊接温度:265±5度 5秒
防火等级:UL94 V-0


