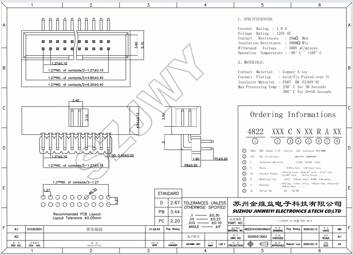
额定电流:1安倍 单PIN
额定电压:125伏,交流
接触电阻:20毫欧 MAX
介质耐压:500伏,1分钟
绝缘电阻:500兆欧 MIN
使用温度:-40~105摄氏度
焊接温度:265±5度 30~60秒
防火等级:UL94 V-0

产品尺寸:标准内腔尺寸PA 3.0mm,1.27X4.9简牛多IDC配合使用,组成线对板方案。
产品颜色:默认黑色,可做白、蓝、灰等颜色;
产品电镀:电镀镍底后再镀锡或者镀金、镀金厚度依旧需求进行电镀;
产品脚位:2X3~2X50P
盐雾要求:满足24H~96H中性盐雾测试(或依客户需求优化)
额定电流:1安倍 单PIN
额定电压:125伏,交流
接触电阻:20毫欧 MAX
介质耐压:500伏,1分钟
绝缘电阻:500兆欧 MIN
使用温度:-40~105摄氏度
焊接温度:265±5度 30~60秒
防火等级:UL94 V-0


